产品目录  
     
SC标准气缸系列
SCD标准双轴系列
SCJ标准双轴可调系列
MAL铝合金迷你缸系列
SDA(QGY)超薄型气缸系列
MOB、HOB液压缸系列
SOB、ROB液压缸系列
HSG工程液压缸系列
Y-HG1冶金液压缸
DG车辆用液压油缸系列
NHS系列转角夹具油缸
薄型油缸系列
重型油缸系列
CD/CG250、CD/CG350重载液压缸
 

 
  产品展示 >> MOB锟斤拷HOB液压锟斤拷系锟斤拷 >> HOB-L锟斤拷双锟斤拷锟斤拷锟剿可碉拷锟酵革拷 共有 0 个产品
 

MOB、HOB液压缸系列 更多详情请点击下列系列分类进入:

MOB、HOB油压缸理论出力表 MO系列中底压油缸结构简图 MO系列、B型标准油缸 MOB-CA型油缸
MOB-FA型油缸 MOB-FB型油缸 MOB-LB型油缸 MOB-L1型双活塞杆油缸
MOB-L型双活塞杆可调油缸 HO系列标准油缸结构简图 HO系列、B型标准油缸 HOB-LA型油缸
HOB-TC型油缸 HOB-FA型油缸 HOB-FB型油缸 HOB-CA型油缸
HOB-L1型双活塞杆油缸 HOB-L型双活塞杆可调油缸    


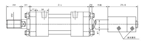
HOB-L型活塞杆可调油缸                      当前位置:产品总汇>MOB、HOB>HOB-L型活塞杆可调油缸


HOB-L型活塞杆可调系列油缸,前后盖安装尺寸均按HOB标准,其余尺度按下图.


 

缸径 MM V AM AH Z ZM ZB
40 M22X1.5 25 40 20 128 20 45
50 M26X1.5 30 40 20 140 20 55
63 M30X1.5 35 45 20 140 20 55

 

缸径 MM V AM AH Z ZM ZB
80 M30X1.5 40 45 20 167 20 60
100 M40X2 50 55 25 182 25 65
125 M50X2 60 70 35 216 25 70

地址:永嘉县乌牛镇河口埭西路32号电话:0577-67305800  传真:0577-67308565  技术支持及维护:网联信息技术有限公司