产品目录  
     
SC标准气缸系列
SCD标准双轴系列
SCJ标准双轴可调系列
MAL铝合金迷你缸系列
SDA(QGY)超薄型气缸系列
MOB、HOB液压缸系列
SOB、ROB液压缸系列
HSG工程液压缸系列
Y-HG1冶金液压缸
DG车辆用液压油缸系列
NHS系列转角夹具油缸
薄型油缸系列
重型油缸系列
CD/CG250、CD/CG350重载液压缸
 

 
  产品展示 >> MOB锟斤拷HOB液压锟斤拷系锟斤拷 >> HOB-TC锟斤拷锟酵革拷 共有 0 个产品
 

MOB、HOB液压缸系列 更多详情请点击下列系列分类进入:

MOB、HOB油压缸理论出力表 MO系列中底压油缸结构简图 MO系列、B型标准油缸 MOB-CA型油缸
MOB-FA型油缸 MOB-FB型油缸 MOB-LB型油缸 MOB-L1型双活塞杆油缸
MOB-L型双活塞杆可调油缸 HO系列标准油缸结构简图 HO系列、B型标准油缸 HOB-LA型油缸
HOB-TC型油缸 HOB-FA型油缸 HOB-FB型油缸 HOB-CA型油缸
HOB-L1型双活塞杆油缸 HOB-L型双活塞杆可调油缸        

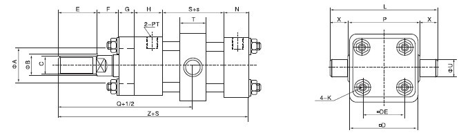
HOB-TC型油缸

缸径 Φ
A
Φ
B
C □D □DE E F G H N K L P Q T U X S Z PT
Φ40 40 25 M22X1.5 65 45 40 20 17 33 28 M10 115 75 135 28 20 20 50 188 ZG3/8
Φ50 50 30 M26X1.5 80 56 40 20 17 38 30 M12 140 90 142 33 25 25 55 200 ZG3/8
Φ63 50 35 M30X1.5 95 65 45 20 17 38 30 M14 166 102 147 40 32 32 55 205 ZG3/8
Φ80 60 40 M30X1.5 110 80 45 20 20 38 35 M16 184 120 160 43 32 32 74 232 ZG1/2
Φ100 80 50 M40X2 131 95 55 25 20 41 37 M18 220 140 186 53 40 40 84 262 ZG1/2
Φ125 90 60 M50X2 162 122 70 35 28 57 47 M24 275 175 240 58 50 50 84 321 ZG3/4
Φ160 110 80 M70X2 210 153 80 35 30 60 50 M27 342 222 250 73 60 60 90 345 ZG3/4
Φ200 135 100 M90X2 262 193 120 40 40 65 60 M33 452 272 325 108 90 90 120 445 1"
Φ250 146 125 M110X2 330 246 140 50 45 80 70 M39 560 360 385 120 115 100 140 525 1"
地址:永嘉县乌牛镇河口埭西路32号电话:0577-67305800  传真:0577-67308565  技术支持及维护:网联信息技术有限公司